This section is from the "Advanced Projects in Woodwork" book, by Ira S. Griffith. Also available from Amazon: Furniture making, Advanced projects in woodwork


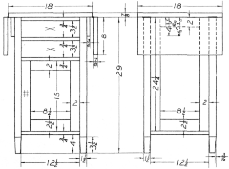
Plate 44.

Plate 45.


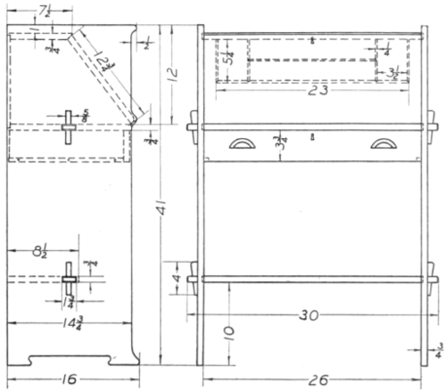
Plate 46.


Plate 47.


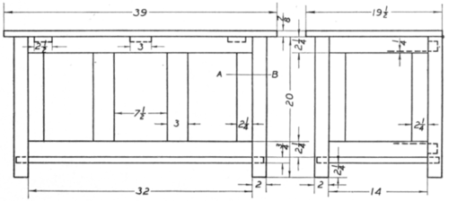
Plate 48.


Plate 49.


Plate 50.



Plate 51.
 
Continue to: